Для отримання оптових цін, пройдіть, реєстрацію
- Виробники
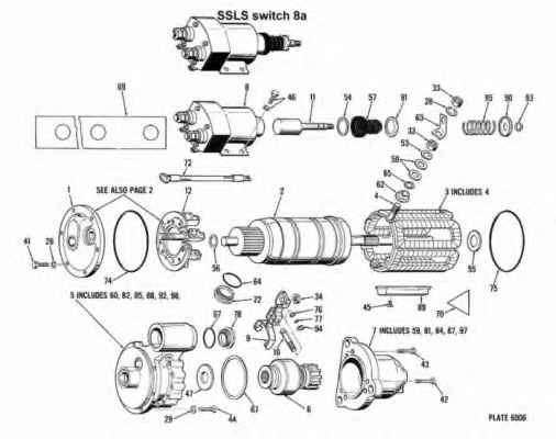
- DELCO REMY
- 1109781
DELCO REMY 1109781 Стартер
| Виробник | DELCO REMY |
|---|---|
| Номер | 1109781 |
| Ім'я | Стартер |
| Версия | Serie: 50MT (300) |
| Напряжение [В] | 24 |
| Направление вращения | по годинниковій стрілці |
Контакти
© Autooriginal. All rights reserved




