Масла і рідини
Матеріали для кузовного ремонту
Запчастини
0
UAH
EUR
UAH
Вхід для партнерів
Новини
Довідник
Контакти
Умови співпраці
Вхід для партнерів
Масла і рідини
Матеріали для кузовного ремонту
Запчастини
Для отримання оптових цін, пройдіть,
реєстрацію
Виробники
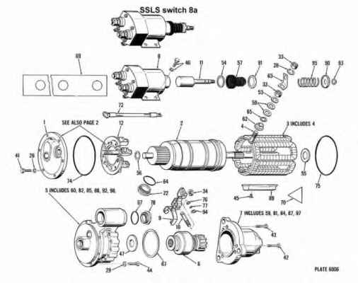
DELCO REMY
1109625
DELCO REMY 1109625 Стартер
Налаштування
Сортування:
за збільшенням ціни
за зменшенням ціни
по артикулу
по опису
Показати:
Тільки наявні товари
Спочатку оригінали
Групувати по товарах
Показати опис
Виробник
Артикул
Опис
Інформація
К-ть
Ціна
DELCO REMY
1109625
Стартер
Запит