Для отримання оптових цін, пройдіть, реєстрацію
- Виробники
- DELCO REMY
- 1101015
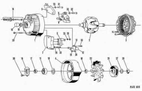
DELCO REMY 1101015 Генератор
| Виробник | DELCO REMY |
|---|---|
| Номер | 1101015 |
| Ім'я | Генератор |
| Версия | Serie: 27SI |
| Оригінальні номери | |
| VOLVO | 3134786, 3134787 |
Контакти
© Autooriginal. All rights reserved




