Масла і рідини
Матеріали для кузовного ремонту
Запчастини
0
UAH
EUR
UAH
Вхід для партнерів
Новини
Довідник
Контакти
Умови співпраці
Вхід для партнерів
Масла і рідини
Матеріали для кузовного ремонту
Запчастини
Для отримання оптових цін, пройдіть,
реєстрацію
Пошук в інтернет-магазині
FORD
1101024
Середній глушник вихлопних газів
5 928.04 грн.
Вибрати
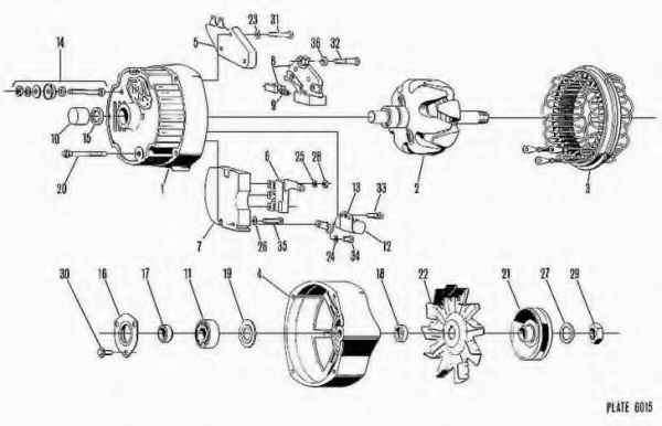
DELCO REMY
1101024
Генератор
Вибрати
REMY
1101024
Генератор
Вибрати
TURBO' S HOET
1101024
Компресор, наддув
Вибрати
Розширений пошук