Для отримання оптових цін, пройдіть, реєстрацію
                
            - Виробники
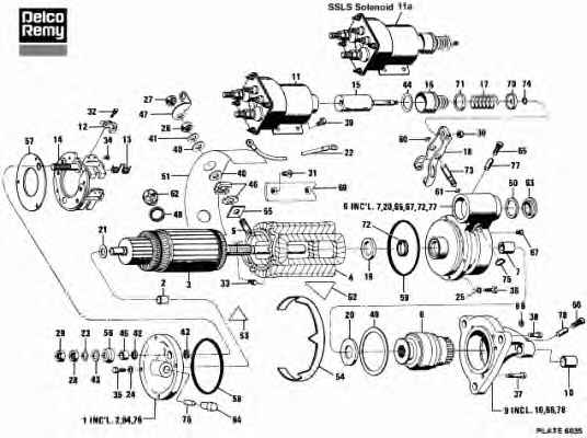
 - DELCO REMY
 - 1109299
 
DELCO REMY 1109299 Стартер
| Виробник | DELCO REMY | 
|---|---|
| Номер | 1109299 | 
| Ім'я | Стартер | 
| Версия | Serie: 50MT (400) | 
| Напряжение [В] | 24 | 
| Направление вращения | по годинниковій стрілці | 
Контакти
© Autooriginal. All rights reserved
    



